特點:
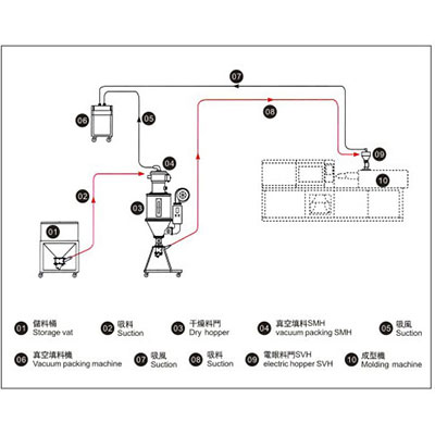
不銹鋼料斗,確保原料不受污染。
微電腦控制,操作簡易,控制精確,并有多項報警指示燈。
馬達保護裝置,可增長其使用壽命。缺料警報,可主動通知客戶排除狀況。
獨立濾清器裝置,方便清除積摩;濾清器檢視窗,方便客戶查看濾清器使用狀況,并定期清洗。
真空料斗(YMH)可直接安裝于成型機料斗上;電眼料斗(YVH)可直接安裝于成型機入料口。
可選配旋風集塵器,減少濾清器清潔次數,適用于粉碎料輸送。
可選配YPV-U歐化兩料比例閥(含選購控制箱),用于新料與粉碎料混合使用或粉碎料立即回收。
當輸送的原料當中,粉碎料占30%以上時,建議選配14目不銹鋼濾網。
Stainless steel hopper, to ensure that the raw material is not contaminated Microcomputer control, simple operation, precise control, and there are a number of alarm indicator.
Motor protection device, can increase its service life.
Lack of alarm. can take the initiative to infom customers of the situation.
Independent filter device to facilitate the removal of dust; filter view window to facilitate customers to view the use of filter, and regular cleaning.
Vacuum hopper (MH) can be directly installed in the molding machine hopper; electric eye hopper (YVH) can be directly installed in the molding machine feeding port.
Optional cyclone dust collector, reducing filter cleaning times, suitable for crushing and conveying.
Optional YPV-U Europeanization of material two proportional valve (including purchase control box), for new material and powder mixture use or crushed material Immediate recovery.
When transporting raw materials, crushing materal accounted for more than 30%o the proposed selection of 14 mesh stainless steel mesh.
原理:
分離式自動吸料機系列,適用于塑料顆粒的輸送,主要利用馬達運轉產生真空,使料桶內產生壓力差來輸送塑料。
Separation type automatic material feeding machine series, suitable for conveying plastic particles, the main use of motor operation to produce a vacuum, so that the material can produce a pressure difference to transport the plastic.
規格表:
